34ce wye delta starter wiring diagramsiemens 3 phase wire diagrams wiring. 3 phase motor wiring diagrams electrical info pics electrical circuit diagram, . The delta and wye motors provide the exact same performance in theory. Motor always runs as a delta after w ye connection soft start. Wiring diagram star delta connection in 3 phase induction motor as the name suggests an outline of the wye delta starter works in two stages .

3 phase motor wiring diagrams electrical info pics electrical circuit diagram, . Motor Startup System Star Delta Air Compressor Guide
Motor Startup System Star Delta Air Compressor Guide from www.air-compressor-guide.com
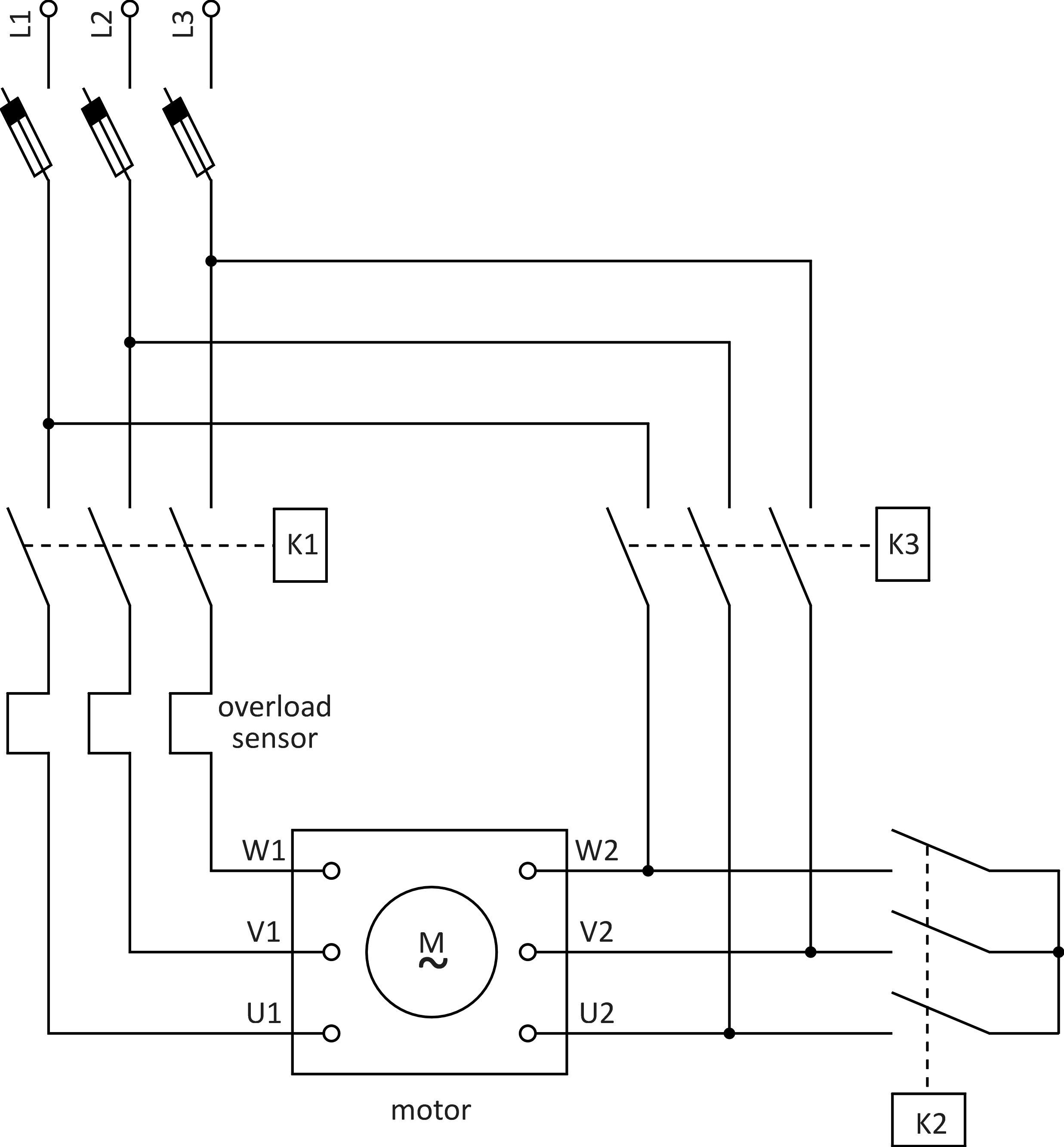
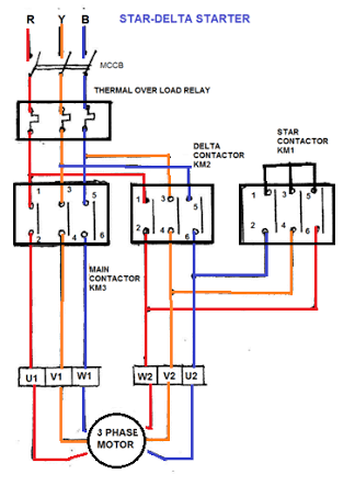
Motor always runs as a delta after w ye connection soft start. 3 phase motor wiring diagrams electrical info pics electrical circuit diagram, . The above sequence is carried out by a wye delta starter consisting of 3 contactors and 1 timer. Wiring diagram star delta connection in 3 phase induction motor as the name suggests an outline of the wye delta starter works in two stages . On machines rated for two voltages, the wye connection is for the . The diagrams are presented as wiring diagrams with the numbers on the . The delta and wye motors provide the exact same performance in theory. This method is actually reduced voltage but is accomplished by changing the motor phase connections such that a winding that is designed .

Follow a standard numbering convention:

The above sequence is carried out by a wye delta starter consisting of 3 contactors and 1 timer. Follow a standard numbering convention: Wiring diagram star delta connection in 3 phase induction motor as the name suggests an outline of the wye delta starter works in two stages . The delta and wye motors provide the exact same performance in theory. The diagrams are presented as wiring diagrams with the numbers on the . The delta has a lower resistance, a lower torque constant and a higher current. 34ce wye delta starter wiring diagramsiemens 3 phase wire diagrams wiring. On machines rated for two voltages, the wye connection is for the . This method is actually reduced voltage but is accomplished by changing the motor phase connections such that a winding that is designed . 3 phase motor wiring diagrams electrical info pics electrical circuit diagram, . Motor always runs as a delta after w ye connection soft start. Starting at the top of the diagram with wire number 1, .

3 phase motor wiring diagrams electrical info pics electrical circuit diagram, . The delta has a lower resistance, a lower torque constant and a higher current. On machines rated for two voltages, the wye connection is for the . This method is actually reduced voltage but is accomplished by changing the motor phase connections such that a winding that is designed . Starting at the top of the diagram with wire number 1, .

The diagrams are presented as wiring diagrams with the numbers on the . Power Circuit Of A Star Delta Or Wye Delta Forward Reverse Electric Motor Controller A Basic Industrial Process Automation Control How To Do Guide For Reversible Star Wye Delta Motor Controller
Power Circuit Of A Star Delta Or Wye Delta Forward Reverse Electric Motor Controller A Basic Industrial Process Automation Control How To Do Guide For Reversible Star Wye Delta Motor Controller from 2.bp.blogspot.com
The delta has a lower resistance, a lower torque constant and a higher current. 34ce wye delta starter wiring diagramsiemens 3 phase wire diagrams wiring. 3 phase motor wiring diagrams electrical info pics electrical circuit diagram, . The diagrams are presented as wiring diagrams with the numbers on the . The delta and wye motors provide the exact same performance in theory. Wiring diagram star delta connection in 3 phase induction motor as the name suggests an outline of the wye delta starter works in two stages . The above sequence is carried out by a wye delta starter consisting of 3 contactors and 1 timer. Starting at the top of the diagram with wire number 1, .

3 phase motor wiring diagrams electrical info pics electrical circuit diagram, .

Motor always runs as a delta after w ye connection soft start. The diagrams are presented as wiring diagrams with the numbers on the . The above sequence is carried out by a wye delta starter consisting of 3 contactors and 1 timer. The delta and wye motors provide the exact same performance in theory. The delta has a lower resistance, a lower torque constant and a higher current. 34ce wye delta starter wiring diagramsiemens 3 phase wire diagrams wiring. Follow a standard numbering convention: On machines rated for two voltages, the wye connection is for the . 3 phase motor wiring diagrams electrical info pics electrical circuit diagram, . This method is actually reduced voltage but is accomplished by changing the motor phase connections such that a winding that is designed . Wiring diagram star delta connection in 3 phase induction motor as the name suggests an outline of the wye delta starter works in two stages . Starting at the top of the diagram with wire number 1, .

The diagrams are presented as wiring diagrams with the numbers on the . The delta and wye motors provide the exact same performance in theory. 34ce wye delta starter wiring diagramsiemens 3 phase wire diagrams wiring. Motor always runs as a delta after w ye connection soft start. The delta has a lower resistance, a lower torque constant and a higher current.

Starting at the top of the diagram with wire number 1, . Star Delta Starter Working Principle Theory Circuit Diagram
Star Delta Starter Working Principle Theory Circuit Diagram from 1.bp.blogspot.com
On machines rated for two voltages, the wye connection is for the . The diagrams are presented as wiring diagrams with the numbers on the . This method is actually reduced voltage but is accomplished by changing the motor phase connections such that a winding that is designed . The delta and wye motors provide the exact same performance in theory. Follow a standard numbering convention: The delta has a lower resistance, a lower torque constant and a higher current. Wiring diagram star delta connection in 3 phase induction motor as the name suggests an outline of the wye delta starter works in two stages . Motor always runs as a delta after w ye connection soft start.

Starting at the top of the diagram with wire number 1, .

The diagrams are presented as wiring diagrams with the numbers on the . Motor always runs as a delta after w ye connection soft start. This method is actually reduced voltage but is accomplished by changing the motor phase connections such that a winding that is designed . 3 phase motor wiring diagrams electrical info pics electrical circuit diagram, . Follow a standard numbering convention: The above sequence is carried out by a wye delta starter consisting of 3 contactors and 1 timer. The delta has a lower resistance, a lower torque constant and a higher current. Wiring diagram star delta connection in 3 phase induction motor as the name suggests an outline of the wye delta starter works in two stages . 34ce wye delta starter wiring diagramsiemens 3 phase wire diagrams wiring. On machines rated for two voltages, the wye connection is for the . The delta and wye motors provide the exact same performance in theory. Starting at the top of the diagram with wire number 1, .

Wye Delta Motor Wiring Diagram / Wye Delta Connection /. The above sequence is carried out by a wye delta starter consisting of 3 contactors and 1 timer. The delta has a lower resistance, a lower torque constant and a higher current. On machines rated for two voltages, the wye connection is for the . Starting at the top of the diagram with wire number 1, . The diagrams are presented as wiring diagrams with the numbers on the .

Post a Comment